网站首页
医院概况
医院简介
科室介绍
领导团队
医院文化
医院荣誉
医院专家
特聘专家
设备展示
就医环境
医院动态
医院动态
三院风采
公告公示
通知公告
院务公开
党务公开
就医指南
门诊指南
住院指南
医保指南
入出院流程
预约挂号
检验报告
检查报告
健康科普
健康教育
疾病介绍
健康体检
中心简介
设备展示
专题专栏
主题教育
党建专栏
抗击疫情
政策法规
院感规范
政策法规
互动交流
在线留言
联系方式
地图导航
院感规范
当前位置:
网站首页
>>
政策法规
>>
院感规范
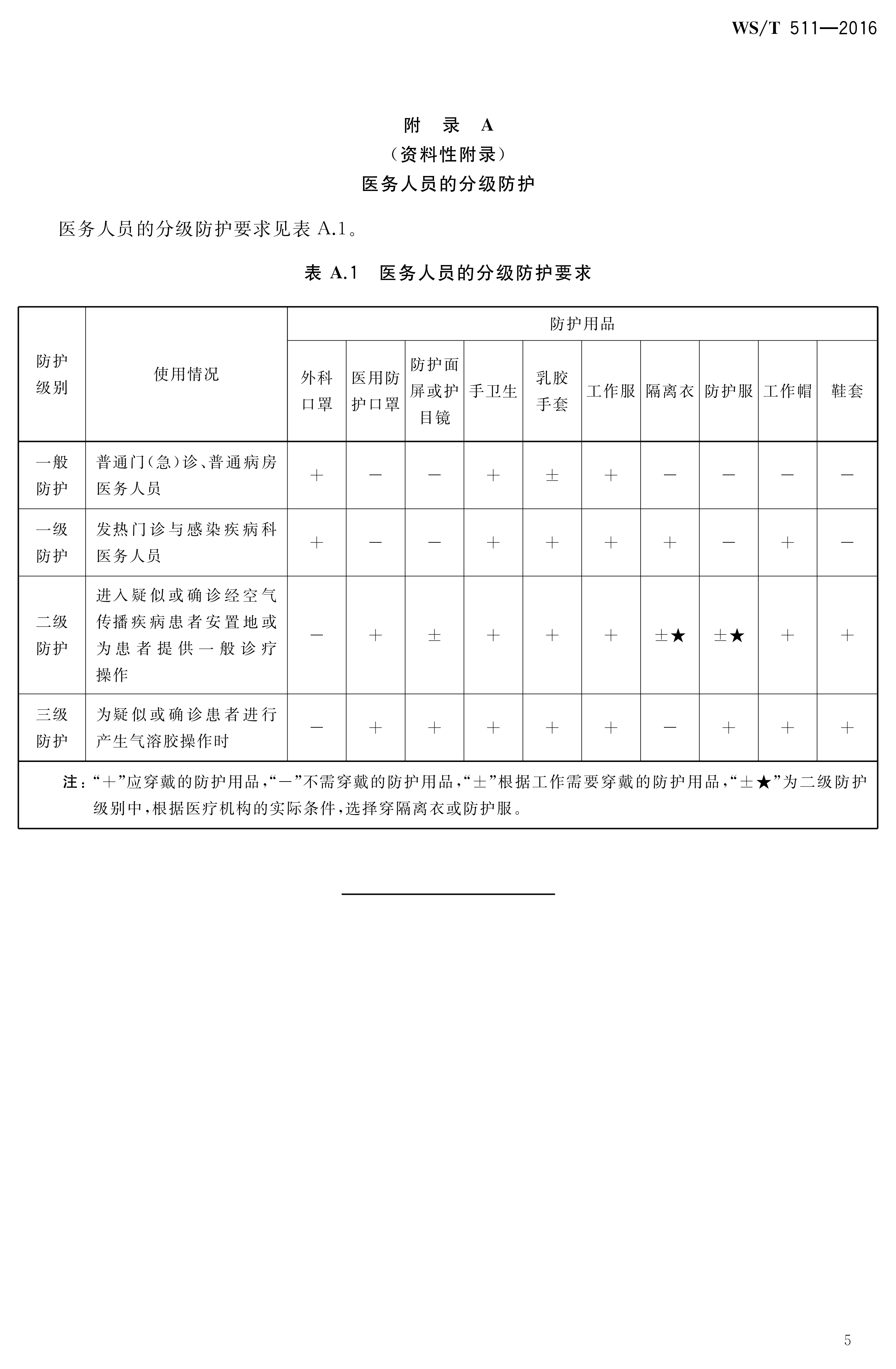
7.2经空气传播疾病医院感染预防与控制规范WST 511-2016
发布日期:2025/11/24 点击:320 次
上一篇:
7.3中医医疗技术相关性感染预防与控制指南(试行)(国中医药办医政发〔2017〕22号)
下一篇:
7.1多重耐药菌医院感染预防与控制技术指南 (试行)2011
医院概况
医院简介
门诊简介
科室介绍
领导团队
医院文化
新闻中心
医院动态
院务公开
党务公开
就医指南
门诊指南
住院指南
医保指南
预约挂号
检验报告
检查报告
互动交流
在线留言
联系方式
地图导航
留言咨询
联系我们
版权所有 2021-2022 © 晋城市第三人民医院
地址:晋城市城区川东路9号
晋ICP备2021011729号-3
晋公网安备 14050002001755号
技术支持:
天狐网络