院感规范
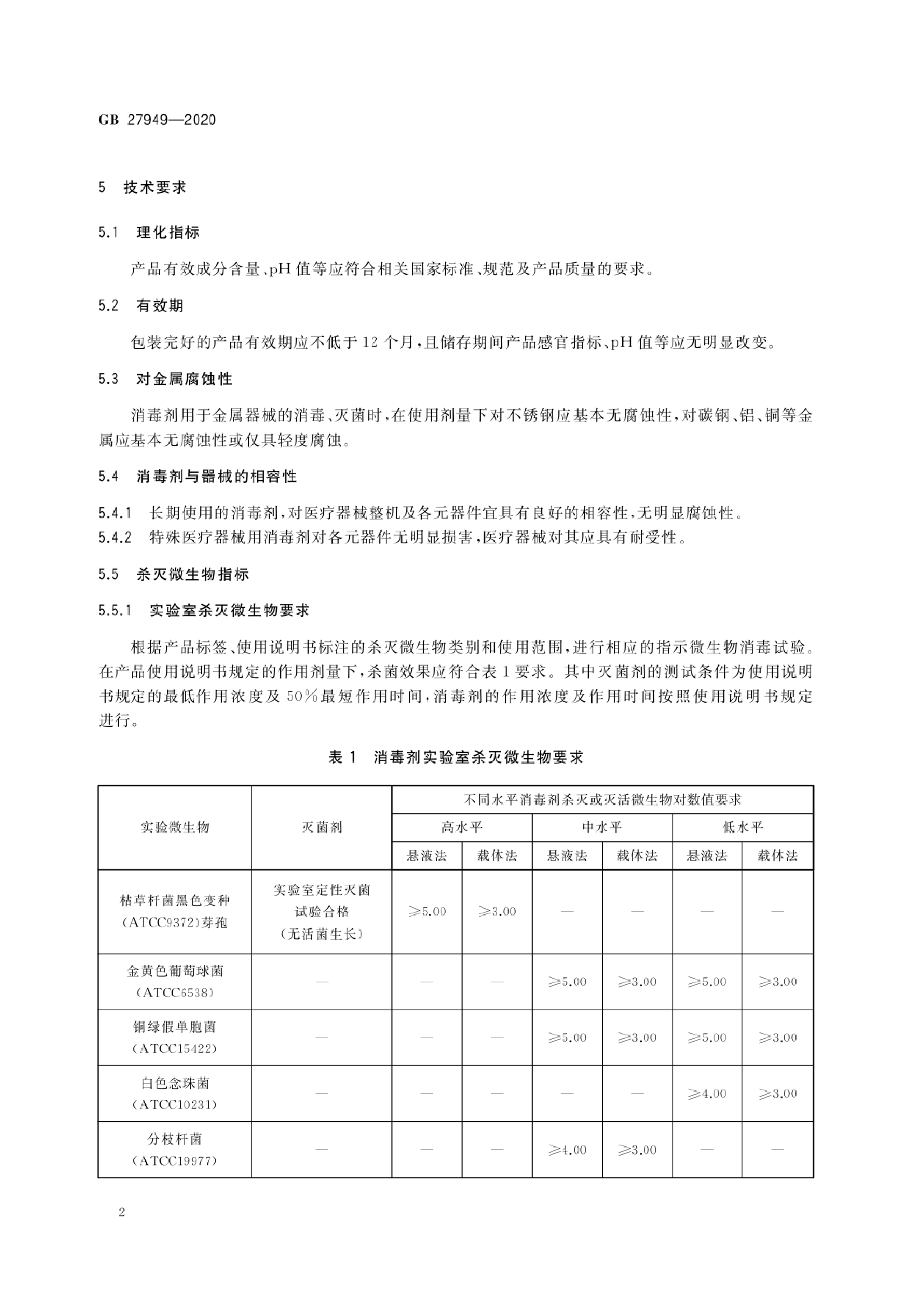
6.8医疗器械消毒剂通用要求GB27949-2020
发布日期:2025/11/21点击:333 次

 

 

 

 

 

 

 

 

 

 

 

 

 

晋城市第三人民医院

地址:晋城市城区川东路9号

总值班电话:0356-2583029 门诊电话:0356-2583044

Copyright © 晋城市第三人民医院 晋ICP备2100116231号-1

技术支持:天狐网络